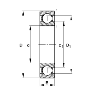
Miniaturkugellager FAG 626-2RS, Außendurchmesser: 19 mm | Breite: 6 mm | Innendurchmesser: 6 mm
Rillenkugellager
Siehe technische InformationenReferenzen
FAG:626-2RS
Rubix:160000000373437
Hersteller:0383909570000
EAN:4012801204330




Produktdetails : 626-2RS (FAG) Rillenkugellager Miniatur, 2 Dichtscheiben FAG
Erhältlich in abgedichteter (2RS) oder angeflanschter (ZZ) Ausführung ohne oder mit Spiel C3. Käfig aus Stahl. Betriebstemperaturen: von -30 °C bis +120 °C.
Technische Informationen
Attribute
| Logistische Abmessungen (D x W x H) | 6x19x19 mm |
|---|---|
| Bruttogewicht | 8 g |
| Innendurchmesser | 6 mm |
| Außendurchmesser | 19 mm |
| Breite | 6 mm |
| Dichtung | zwei gummidichtungen |
| Lagerspiel | cn |
| Serie | 62... 2rs |
| Werkstoff | stahl |
| Zolltarifcode | 84821010 |
Zeigen UNSPSC/ECL@SS
- Nicht verfügbar
