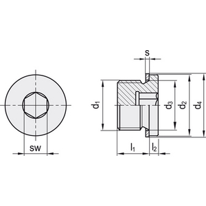
GN.90791-TAPPO FILETTATO CON CAVA ESAGONALE ACCIAIO SENZA GUARNIZIONE DIN 908-ST-G3/8-A
DIN 908
Vedi informazioni tecnicheVedi documentiRiferimenti
Elesa:GN.90791
Rubix:160000000536335



Documenti
Dettagli del prodotto : GN.90791-TAPPO FILETTATO CON CAVA ESAGONALE ACCIAIO SENZA GUARNIZIONE DIN 908-ST-G3/8-A
Tappi di chiusura
Punti di forza
•Ultrasonically checked
Applicazioni
High Temperature Applications
Informazioni tecniche
Attributi
| Peso | 22 g |
|---|---|
| Materiale | acciaio |
Mostra UNSPSC / ECL@SS
€ 1,09 IVA esclusa
/ Unità
€ 1,33 IVA inclusa
- Disponibile: spedito entro 24 ore
