GN.28615-VOLANTINO DI SERR. A LOBI INOX AISI 303 MAX PULIBILITA' FINITURA MAT FORO CIECO FIL. GN 5335-50-M8-E
GN 5335 - GN 5335.4
Vedi informazioni tecnicheVedi documentiRiferimenti
Elesa:GN.28615
Rubix:160000000520408
Documenti
Dettagli del prodotto : GN.28615-VOLANTINO DI SERR. A LOBI INOX AISI 303 MAX PULIBILITA' FINITURA MAT FORO CIECO FIL. GN 5335-50-M8-E
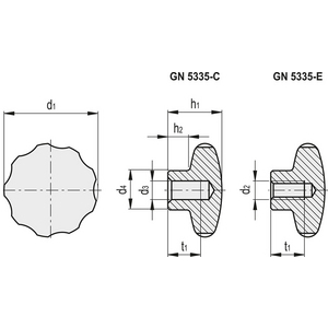
Volantino con foro cieco filettato o alesato
Volantino con foro cieco filettato o alesato
Informazioni tecniche
Attributi
| Peso | 214 g |
|---|
Mostra UNSPSC / ECL@SS
€ 30,43 IVA esclusa
/ Unità
€ 37,12 IVA inclusa
- Disponibile: spedito entro 24 ore


