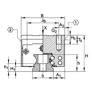
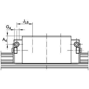
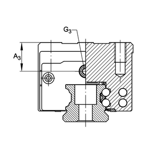
0183558380240-SISTEMA LINEARE A SFERE * KWVE35-B-S-V1-G3
Carrello di guida a sfera
Vedi informazioni tecnicheVedi documentiRiferimenti
INA:KWVE35-B-S-V1-G3
Rubix:160000000395445
Produttore:0183558380240
EAN:4054366333438





Documenti
Dettagli del prodotto : 0183558380240-SISTEMA LINEARE A SFERE * KWVE35-B-S-V1-G3
Carrello a Carrello a ricircolazione di sfere
Informazioni tecniche
Attributi
| Peso | 1540 g |
|---|---|
| Precisione | g3 |
| Larghezza | 70 mm |
| Lunghezza | 112 mm |
| Altezza su guida | 48 mm |
| Dimensioni costruttive | 35 mm |
| Codice doganale | 84828000 |
Mostra UNSPSC / ECL@SS
€ 72,78 IVA esclusa
/ Unità
€ 88,79 IVA inclusa
- Disponibile: spedito entro 24 ore
