0174205550150-SISTEMA LINEARE A SFERE KWVE35-B-V0-G4
Standard Carriage
Vedi informazioni tecnicheVedi documentiRiferimenti
INA:KWVE35-B-V0-G4
Rubix:170000000115976
Produttore:0174205550150
EAN:4054366324795





Documenti
Dettagli del prodotto : 0174205550150-SISTEMA LINEARE A SFERE KWVE35-B-V0-G4
Carrello a Carrello a ricircolazione di sfere
Informazioni tecniche
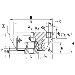
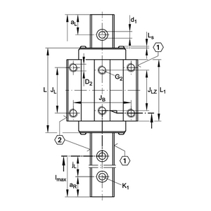
Attributi
| Peso | 1800 g |
|---|---|
| Precisione | g4 |
| Larghezza | 100 mm |
| Lunghezza | 112 mm |
| Altezza su guida | 48 mm |
| Dimensioni costruttive | 35 mm |
| Codice doganale | 84828000 |
Mostra UNSPSC / ECL@SS
€ 72,78 IVA esclusa
/ Unità
€ 88,79 IVA inclusa
Accedi/registrati per visualizzare i tempi di spedizione
