1523262-PULEGGE A CINGHIA METRICA 32-2 27 T5
optibelt ZRS metrisch con foro cilindrico T5
Vedi informazioni tecnicheRiferimenti
Optibelt:27 T5 / 32-2
Rubix:999180500097533
Produttore:32-2 27 T5
EAN:4014486226577




Riepilogo info tecniche
| Profilo | t5 |
|---|---|
| Numero di denti | 32 |
| Larghezza totale | 27 mm |
Dettagli del prodotto : 1523262-PULEGGE A CINGHIA METRICA 32-2 27 T5
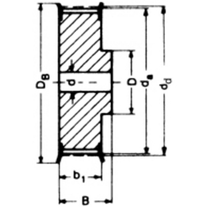
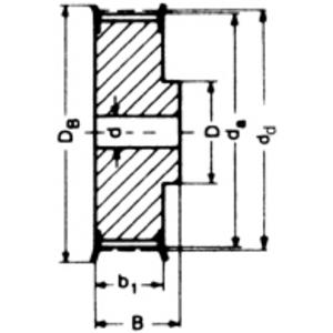
Pulegge per cinghie dentate metriche per alesatura semplice
Informazioni tecniche
Attributi
| Peso | 123 g |
|---|---|
| Profilo | t5 |
| Numero di denti | 32 |
| Larghezza totale | 27 mm |
| Numero di rondelle con bordo | 2 |
| Diametro effettivo | 50,93 mm |
| Foro pronto | 22 mm |
| Codice doganale | 84835080 |
Mostra UNSPSC / ECL@SS
Accedi/registrati per visualizzare i tempi di spedizione